Products

Hot Product

description1
Zipper closure 1/5 zip athletic pullovers for men. Stretchy, lightweight, fast-drying fabric for superior performance. REGULAR FIT - US standard sizes. An athletic fit that sits close to the body for a wide range of motion, designed for optimal performance and all day comfort. FEATURES - Quarter zip closure;Thumbholes on long sleeves to keep them in place during workout
Overview
Essential details
Warranty: 1 YearAfter-sale Service: Online technical support, Onsite Installation, Onsite Training, Onsite Inspection
Project Solution Capability: graphic design, total solution for projectsApplication: Office Building
Design Style: ContemporaryPlace of Origin: Jiangsu, China
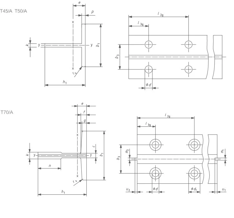
Brand Name: NOVAModel Number: Elevator Parts, T45/A,T50/A,T70-1/A
Type: None, Elevator PartsProduct name: Elevator guide rail t70
Certification: ISO9001:2008,DAS,IAF,SGS,UKASColor standard series: Black, Gray
Warranty period: One yearLength: 5m, 2.5m
size: 9mm, 10mm, 16mmSpeed: 0.4-4m/s
Usage: For Elevator Cabin or Counterwight
Supply Ability
Supply Ability 10000 Piece/Pieces per Year
Packaging & delivery
Packaging Details Standard export packagePort FOB SHANGHAI
Picture Example:
Product Detail
Product Description

Type:

1. Machined Elevator Guide Rail 2. Cold Drawn Elevator Guide Rail 3. Hollow Elevator Guide Rail 4. Customized Elevator Guide Rail 5. Cold drawn elevator guide rail fishplates, machined elevator guide rail fishplates, special thicness fishplates, T section fishplates, forged clips, sliding clamps, sliding clips, T-clips

Standard: ISO 7465. Model: T45A, T50A, T70B, T75B, T78B, T82B, T89B, T90B, T114B, T127B, TK3, TK3A, TK5, TK5A. Packing: Our guide rails are packed in bundles with protective sheathes protecting both ends, each bundle repacked in blue plastic sheeting. We can also pack as per your request.
Details Images
Product Paramenters
Model
Guide Rail Size
Fishplate Size
Clip
Screw
T45/A
45mm*45mm*5mm
160*50*8mm
8K
M8*25
T50/A
50mm*50mm*5mm
200*50*8mm
8K
M8*25
T70-1/B
70mm*65mm*9mm
250*70*10mm
8K
M12*35
T75-3/B
75mm*62mm*10mm
240*75*10mm
8K
M12*35
T78/B
78mm*56mm*10mm
240*75*10mm
8K
M12*35
T82/B
82.5mm*68.25mm*9mm
216*80*10mm
13K
M12*35
T89/B
89mm*62mm*16mm
280*90*13mm
13K
M12*40
T90/B
90mm*75mm*16mm
280*90*13mm
13K
M12*40
T114/B
114mm*89mm*16mm
300*115*18mm
18K
M16*50
T127-2/B
127mm*89mm*16mm
300*130*18mm
24K
M16*55
TK3
75mm*55mm*10mm
220*72*2.5mm
3K
M8*25
TK3A
78mm*60mm*16.4mm
200*78*4mm
3K
M8*25
TK5
87mm*60mm*16.4mm
350*87*4mm
5K
M10*25
TK5A
78mm*60mm*16.4mm
200*78*4mm
5K
M10*25
Hot Products

Elevator Guide Rail

Elevator Door Operator

Elevator Speed Governor

Elevator Cabin

Elevator Controller

Elevator Traction Machine

Company Profile
Exhibition
Product Packaging
FAQ
1. Price Re: please send us inquiry from Alibaba, we will qutoe to you within 24 hours. It’s more convenient and appreciated for us if you provide your company details and your detail inquiry for elevators. 2. Payment term Re: T/T or L/C at sight. 3. Installation&Maintaining Re: We will send installation&maintaining manual along with the elevator. Our sugguestion is to hire a professional local company for installation and future maintaining, once you need any technical assistant from us, just don't hesitate to contact us by mail or phone. Technician will be sent to the job site if necessary. 4. Shipping&price term Re: Both FOB/CIF/CFR price term are ok, we have reliable forwarder helping arrange the shipment for you.

CONTACT US